21 - WATER PUMP

21 - WATER PUMP
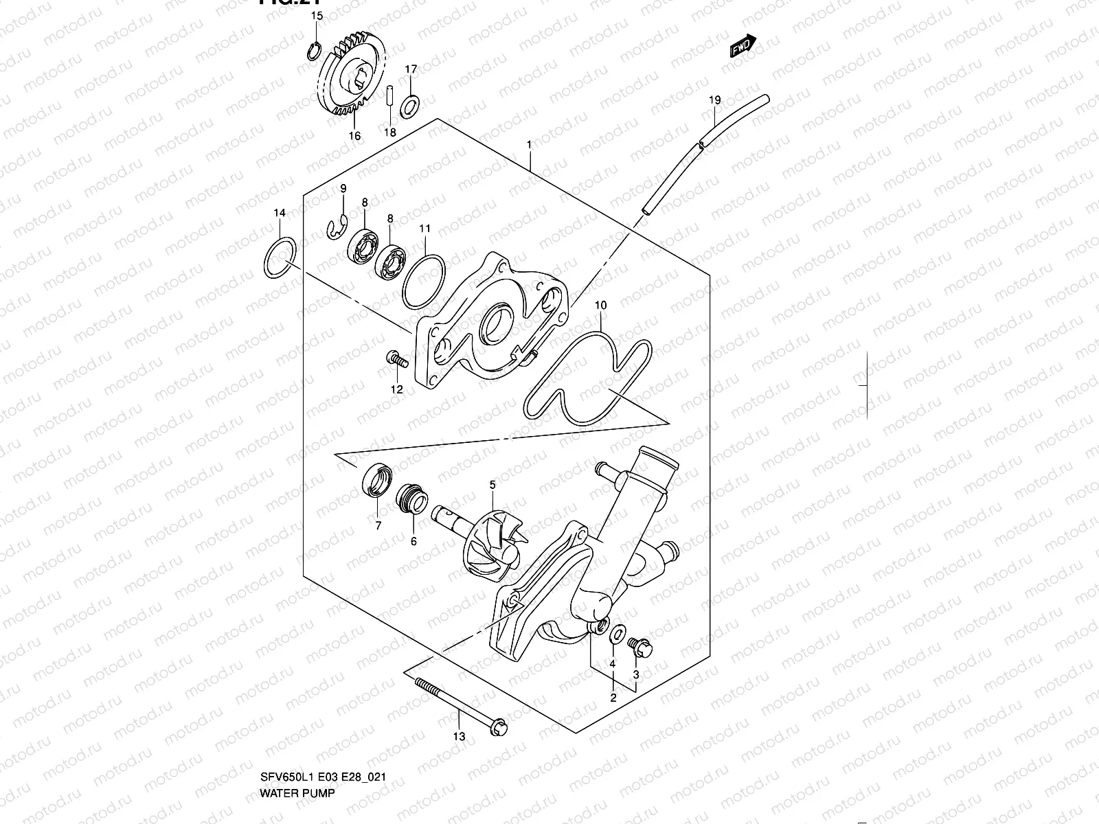
1
17400-44H01
Pump Assy,water
24 438 ₽
2
17411-44H00
Корпус водной помпы
5 610 ₽
3
17415-20920
BOLT,DRAIN
465 ₽
4
09168-08016
Прокладка
129 ₽
5
17491-19F40
IMPELLER/SHAFT
3 311 ₽
6
17470-02F11
САЛЬНИК МЕХАНИЧЕСКИЙ НАСОСА ВОДЯНОГО
2 528 ₽
7
17461-48G00
Сальник
1 001 ₽
8
09262-10014
BEARING(10X26X8)
872 ₽
9
08332-1108A
КОЛЬЦО
1 060 ₽
10
17418-19F00
O RING
468 ₽
11
17435-33400
КОЛЬЦО УПЛОТНИТЕЛЬНОЕ
1 001 ₽
12
02112-0510B
Болт
85 ₽
13
09103-06225
BOLT(6X70)
1 840 ₽
14
09280-22001
КОЛЬЦО УПЛОТНИТЕЛЬНОЕ
178 ₽
15
08331-31109
КЛИПСА
102 ₽
16
17461-44H00
GEAR,WATER PUMP DRIVEN
2 287 ₽
17
09181-10158
Шайба
1 210 ₽
18
09261-04002
ROLLER(4X13.8)
97 ₽
19
09352-35654-600
Hose(3.5X6.5X600)
561 ₽

Узлы для