185 - REAR CALIPER (AN650AL1 E19)

185 - REAR CALIPER (AN650AL1 E19)
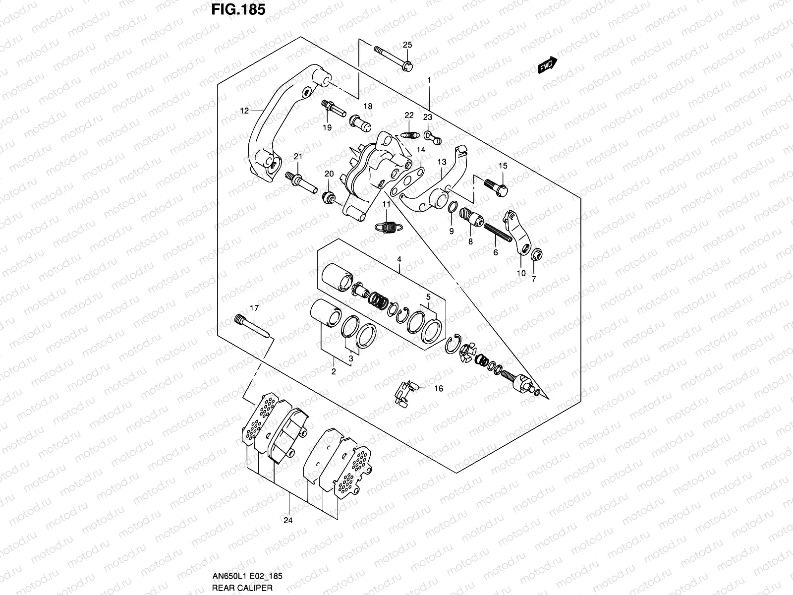
1
69100-10G21-999
CALIPER ASSY,RR
71 060 ₽
2
69100-43810
PISTON SET
3 910 ₽
3
69100-36810
SEAL SET,PISTON
1 255 ₽
4
69100-10830
PISTON SET
4 379 ₽
5
69100-36810
SEAL SET,PISTON
1 255 ₽
6
69127-10G00
Болт
697 ₽
7
69123-14F40
Гайка
204 ₽
8
69124-10G00
SHAFT
1 975 ₽
9
69122-14F40
O RING
426 ₽
10
69125-10G10
Плата
1 830 ₽
11
69128-14F00
SPRING,RETURN
221 ₽
12
69150-10G10
BRACKET
8 993 ₽
13
69120-10G10
PARKING
9 971 ₽
14
69126-14F40
PACKING
170 ₽
15
69121-14F00
BOLT(8X25)
344 ₽
16
69115-10G00
Пружина
919 ₽
17
59345-13E00
Штифт
782 ₽
18
59386-13A00
Пыльник
388 ₽
19
59382-27C30
Болт
307 ₽
20
59303-14500
Пыльник
307 ₽
21
59305-27C00
PIN
872 ₽
22
59121-01A00
BLEEDER
1 226 ₽
23
59122-01A00
CAP,BLEEDER
187 ₽
24
69100-10860
КОЛОДКИ ТОРМОЗНЫЕ (МОТО)
7 859 ₽
25
09103-08217
BOLT(8X60)
1 840 ₽

Узлы для