167 - REAR WHEEL (VL800TL1 E24)

167 - REAR WHEEL (VL800TL1 E24)
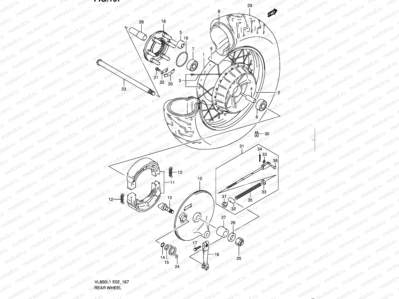
1
64110-41F20
HUB,RR
40 273 ₽
2
65311-41F00
RIM,RR WHEEL(15M/CXMT4.00 FE)
22 092 ₽
3
65320-41F00
Комплект спиц, заднего колеса
8 415 ₽
4
09180-17092
Шайба, подшипник
12 670 ₽
5
09319-12019
САЙЛЕНТБЛОК ВЕРХ.
759 ₽
6
08123-6303B
earing,rear Hub
1 405 ₽
7
08143-63037
Подшипник
1 308 ₽
8
65200-41F00
TUBE ASSY,WHEEL INNER
8 038 ₽
9
65261-41F10
PROTECTOR,WHEEL INNER TUBE
747 ₽
10
64210-38A70-20H
PANEL,RR BRAKE ANCHOR
15 679 ₽
11
64400-38820
КОЛОДКИ ТОРМОЗНЫЕ
6 290 ₽
12
55420-30000
SPRING
221 ₽
13
64441-38A20
КУЛАЧОК ТОРМОЗНОГО МЕХАНИЗМА
1 595 ₽
14
09280-15003
КОЛЬЦО УПЛОТНИТЕЛЬНОЕ
204 ₽
15
09160-15048
Шайба
102 ₽
16
64451-38A01
LEVER,RR BRAKE CAM
3 988 ₽
17
01570-06257
Болт
1 520 ₽
18
64680-45113
JOINT ASSY,RR HUB DRIVEN
14 467 ₽
19
09280-65003
O RING(D:2.1,ID:65)
1 840 ₽
20
64677-45110
Шайба упорная
172 ₽
21
09119-06049
БОЛТ
900 ₽
22
09169-06030
Шайба
1 520 ₽
23
64711-19F00
AXLE,RR
4 262 ₽
24
09448-33006
Пружина кулачка
3 680 ₽
25
08319-2116A
Гайка
4 500 ₽
26
09160-17050
Шайба
1 250 ₽
27
64741-41F00
SPACER,RR AXLE,R
1 134 ₽
28
64772-34201
SPACER,RR AXLE,L
1 150 ₽
29
65100-41F10
TIRE,REAR,170/80-15M/C 77H
Цена по
запросу
30
55411-26G00
Балансир колеса
399 ₽
30
55413-41F00
BALANCER,WHEEL(30G)
469 ₽
31
43300-41F00
"""ROD ASSY,REAR BRAKE"""
1 105 ₽
32
09209-13018
Стопор
204 ₽
33
08322-0106B
Шайба
81 ₽
34
04111-2015A
Штифт
81 ₽
35
09440-09004
SPRING
129 ₽
36
09200-06013
PIN(L:13.5)
194 ₽
37
09150-06010
Гайка
194 ₽

Узлы для