ТОПЛИВНЫЙ НАСОС для SFV650U L2 Gladius (E21) SUZUKI

15 - FUEL PUMP
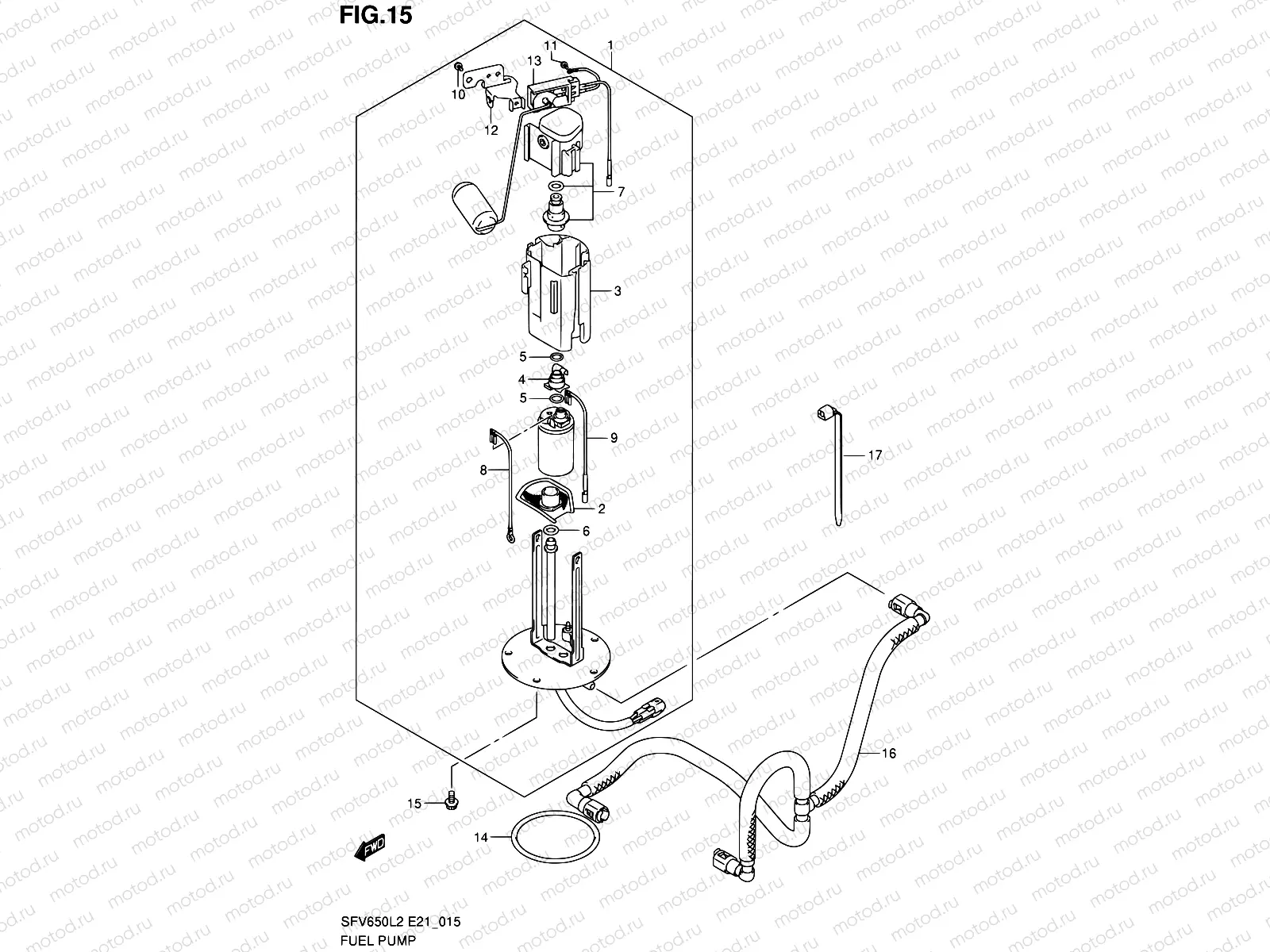
1
15100-44H01
PUMP ASSY,FUEL
61 336 ₽
2
15420-05H00
Фильтр топливного насоса
3 740 ₽
3
2 151 ₽
4
15112-05H00
СОЕДИНИТЕЛЬ
1 462 ₽
5
15113-05H00
O RING
1 502 ₽
6
15113-35F00
КОЛЬЦО УПЛОТНИТЕЛЬНОЕ
1 054 ₽
7
15610-27G00
РЕГУЛЯТОР ДАВЛЕНИЯ ТОПЛИВА
16 745 ₽
8
15114-27G00
WIRE,EARTH
2 295 ₽
9
15115-27G00
Проводка
2 380 ₽
10
15116-44H00
Болт
309 ₽
11
15116-10F00
Болт
278 ₽
12
15181-44H00
BRACKET,FUEL GAUGE
1 716 ₽
13
34810-44H00
Датчик бака
12 473 ₽
14
15201-35F00
КОЛЬЦО УПЛОТНИТЕЛЬНОЕ
2 665 ₽
15
07120-0612B
БОЛТ
184 ₽
16
15810-44H01
OSE,FUEL
9 228 ₽
17
09407-18402
Струбцина (L:165)
211 ₽

Узлы для