123 - STEERING STEM (AN400ZAL4 E19)

123 - STEERING STEM (AN400ZAL4 E19)
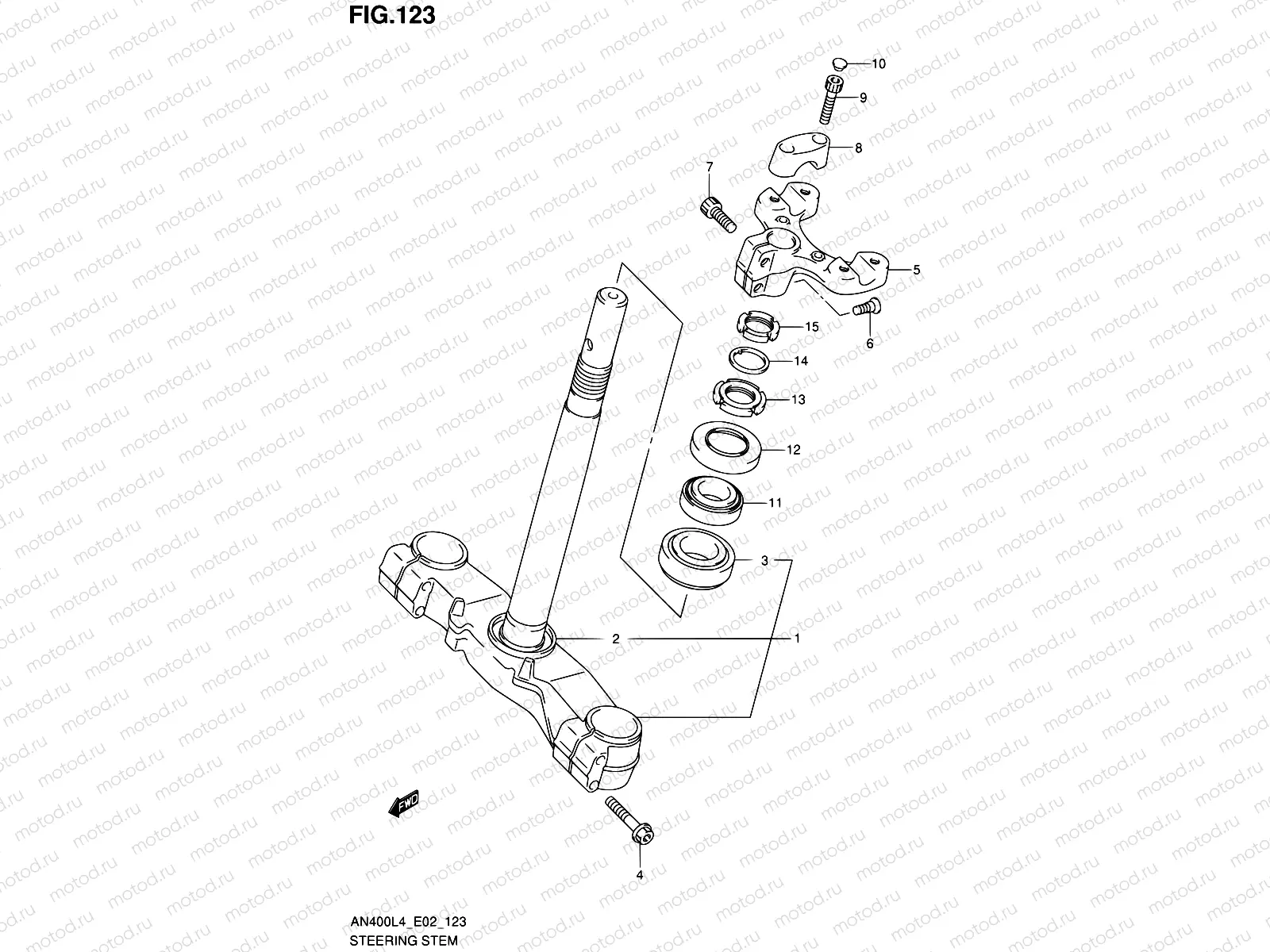
1
51410-05H00
BRACKET,FR FORK UNDER
55 726 ₽/шт
2
51644-12C00
САЛЬНИК
727 ₽/шт
3
09265-30020
BEARING(30X55X17)
2 343 ₽/шт
4
51451-05H00
Болт
328 ₽/шт
5
51311-14F10
BRACKET,FR FORK UPR
10 635 ₽/шт
6
56123-14F10
SCREW,FR FORK UPR(8X20)
391 ₽/шт
7
09106-10067
Болт (10X25)
2 390 ₽/шт
8
56211-42F00
Держатель рукоятки нижний
2 639 ₽/шт
9
09106-08105
БОЛТ
179 ₽/шт
10
09250-06011
КОЛПАЧОК БОЛТА КРЕПЛЕНИЯ
194 ₽/шт
11
09265-25038
ПОДШИПНИК
2 423 ₽/шт
12
51643-40503
Seal,dust
727 ₽/шт
13
51631-28000
NUT,STEERING STEM(25X44X10)
935 ₽/шт
14
09166-26001
ШАЙБА ФОРСУНКИ
980 ₽/шт
15
51632-02400
NUT,STEERING STEM LOCK
845 ₽/шт

Узлы для