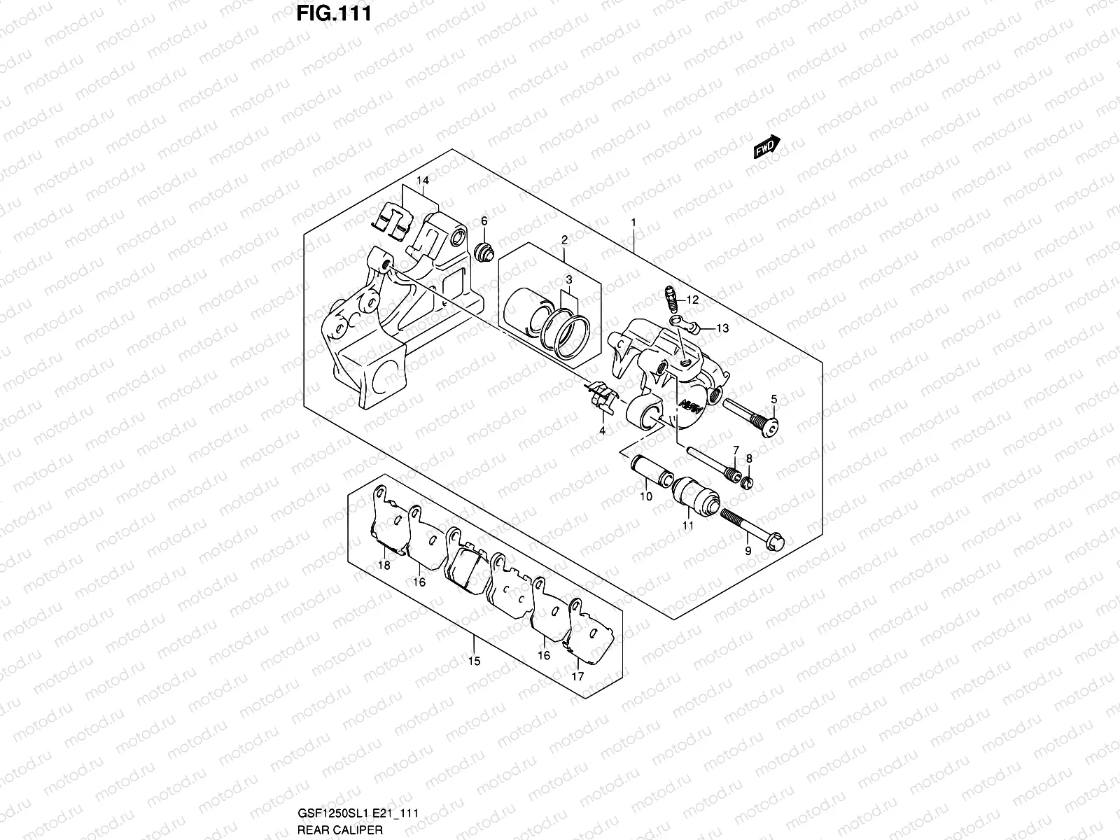
111 - REAR CALIPER (GSF1250SAL1 E24)

111 - REAR CALIPER (GSF1250SAL1 E24)
1
69100-38G81-999
CALIPER ASSY,RR
35 777 ₽
2
69100-04810
PISTON SET
3 957 ₽
3
69100-04820
SEAL SET,PISTON
1 326 ₽
4
69115-06G00
Пружина
442 ₽
5
59305-36E00
Стопор
759 ₽
6
59303-14500
Пыльник
307 ₽
7
69141-40F00
PIN,PAD
833 ₽
8
59146-21E10
PLUG,PIN
388 ₽
9
69182-04F00
Болт
374 ₽
10
69185-04F00
Втулка
692 ₽
11
69186-04F00
Пыльник
486 ₽
12
59121-01A00
BLEEDER
1 226 ₽
13
59122-46H00
CAP,BLEEDER
162 ₽
14
69150-38G50
BRACKET
9 892 ₽
15
69100-16852
PAD & RETAINER SET
10 880 ₽
16
69132-06G00
Изолятор
1 020 ₽
17
69133-16G00
RETAINER
748 ₽
18
69134-16G00
RETAINER
841 ₽

Узлы для