11 - THROTTLE BODY (SFV650L1 E28)

11 - THROTTLE BODY (SFV650L1 E28)
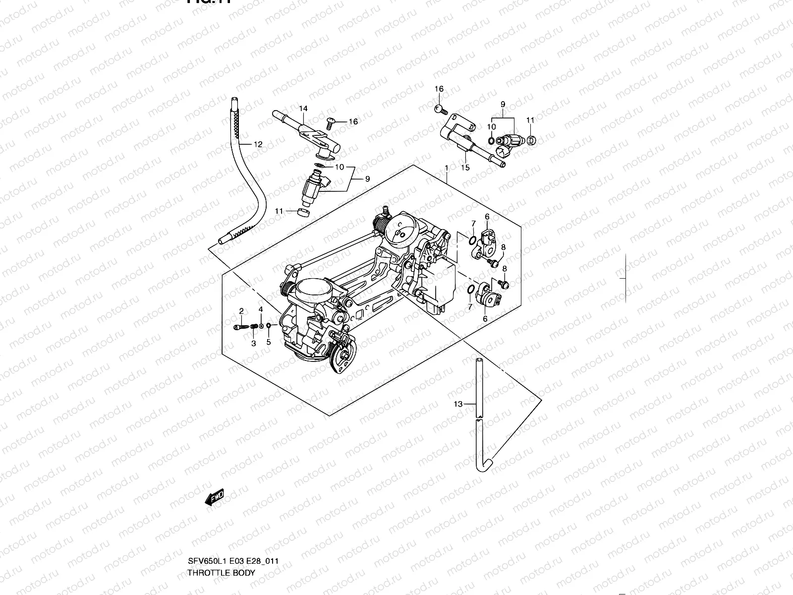
1
13405-44H00
Дроссель
123 420 ₽/шт
2
13269-33E00
Болт
653 ₽/шт
3
13268-48700
Пружина
210 ₽/шт
4
13606-47A00
Шайба
162 ₽/шт
5
13295-29901
O-Ring, Pilot Air Screw
210 ₽/шт
6
13580-27G21
Датчик
7 348 ₽/шт
7
13575-29G00
O-Ring
8
13605-02F00
Болт
170 ₽/шт
9
15710-44H00
INJECTOR ASSY
19 550 ₽/шт
10
15717-58B00
Кольцо уплотнительное
581 ₽/шт
11
15722-29G00
САЛЬНИК
459 ₽/шт
12
13683-44H00
OSE
2 581 ₽/шт
13
13683-44H11
Hose
14
15720-44H00
Подающая труба
10 401 ₽/шт
15
15730-44H00
Подающая труба
10 401 ₽/шт
16
13602-06128
Болт
180 ₽/шт

Узлы для