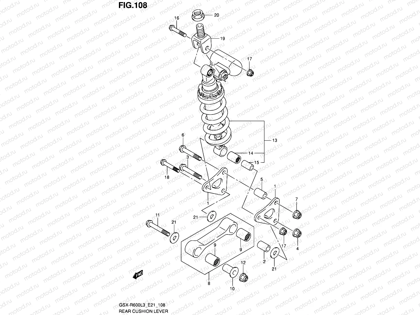
108 - REAR CUSHION LEVER (GSX-R600UEL3 E21)

108 - REAR CUSHION LEVER (GSX-R600UEL3 E21)
1
62611-14J00
LEVER,RR CUSHION
1 627 ₽
2
62317-27C10
SPACER,RR CUSHION LEVER FR
1 003 ₽
3
62658-47H00
BOLT,RR CUSHION LEVER
547 ₽
4
09159-12056
Гайка
565 ₽
5
62317-44B00
SPACER,RR CUSHION LEVER FR
952 ₽
6
62658-47H00
BOLT,RR CUSHION LEVER
547 ₽
7
09159-12056
Гайка
565 ₽
8
62602-14861
Rod,rr Cushion
9 540 ₽
9
09263-20116
Bearing
1 583 ₽
10
62647-47H00
SPACER,RR CUSHION ROD FR
1 615 ₽
11
62621-47H00
BOLT,RR CUSHION ROD
712 ₽
12
09159-12056
Гайка
565 ₽
13
62100-14810-019
ABSORBER ASSY,RR SHOCK
126 829 ₽
14
09263-17046
Подшипник верхний
1 470 ₽
15
62317-47H00
SPACER,RR SHOCK ABS LWR
918 ₽
16
09103-10143
Болт нижней опоры
226 ₽
17
09159-10115
Гайка
289 ₽
18
62313-47H00
BOLT,RR SHOCK ABSORBER LWR
618 ₽
19
62993-47H00
BRACKET,RR SHOCK ABSORBER UPR
6 999 ₽
20
62994-47H00
NUT,RR SHOCK ABS BRACKET
2 581 ₽
21
09160-12037
Шайба
2 310 ₽

Узлы для